![]() 萬能粉碎機 點擊圖片查看詳情 |
![]() 直線振動篩 點擊圖片查看詳情 |
![]() 圓形振動篩 點擊圖片查看詳情 |
![]() 對輥機 點擊圖片查看詳情 |
![]() 搖擺顆粒機 點擊圖片查看詳情 |

產品特點
本機適用于制藥、化工、食品等行業,是粉碎與吸塵為一體的新一代粉碎設備。
0B粉碎設備-B型萬能粉碎機組的詳細資料
B型系列萬能粉碎機組
主要用途:本機適用于制藥、化工、食品等行業,是粉碎與吸塵為一體的新一代粉碎設備。
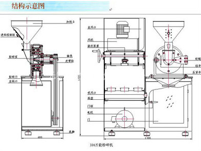
工作原理:本機利用活動齒盤和固定齒盤間的相對運動,使被粉碎物經齒沖擊、摩擦及物料彼此間沖擊而獲得粉碎。粉碎好的物料經旋轉離心力的作用,自動進入捕集袋,粉塵由吸塵箱經布袋過濾回收。整機按“GMP”標準設計,全部用不銹鋼材料制造,生產過程中無粉塵飛揚。且能提高物料的利用率,降低企業成本,目前已達國際科學水平。
結構示意圖
0B粉碎設備-B型萬能粉碎機組的詳細資料
B型系列萬能粉碎機組
主要用途:本機適用于制藥、化工、食品等行業,是粉碎與吸塵為一體的新一代粉碎設備。
工作原理:本機利用活動齒盤和固定齒盤間的相對運動,使被粉碎物經齒沖擊、摩擦及物料彼此間沖擊而獲得粉碎。粉碎好的物料經旋轉離心力的作用,自動進入捕集袋,粉塵由吸塵箱經布袋過濾回收。整機按“GMP”標準設計,全部用不銹鋼材料制造,生產過程中無粉塵飛揚。且能提高物料的利用率,降低企業成本,目前已達國際科學水平。
結構示意圖






快速鏈接:
產品展示:
聯系我們:
蘇公網安備32020602003192號